仟億達燒結余熱發電案例:
1、邯鄲縱橫鋼鐵集團7.5MW燒結余熱發電項目
2、河北鋼鐵金鼎重工14MW燒結余熱發電項目
仟億達科技以合同能源管理方式與河北鋼鐵集團金鼎重工股份有限公司進行了燒結余熱回收發電節能改造合作。項目主要內容為132m2燒結、160m2燒結、90m2燒結三座燒結機環冷、煙倒溫段密封實施循環熱風改造,上3座余壓鍋爐,配套14MW補汽凝汽式汽輪機發電機組及其附屬設備。
河北鋼鐵集團金鼎重工股份有限公司燒結余熱發電項目建設完成,利用率達到90%,年發電量約10080萬KWh,折合標煤量33264噸/年;仟億達科技預計可幫助河北鋼鐵集團金鼎重工股份有限公司每年收電費6048萬元/年
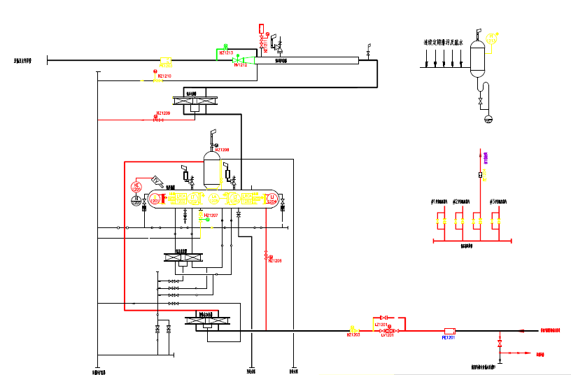
仟億達科技有限公司河北鋼鐵金鼎重工14MW燒結余熱發電項目流程圖
河北鋼鐵集團金鼎重工股份有限公司,始建于1995年,是一集煉鐵、煉鋼、軋鋼、精密鑄造、貿易于一體的綜合性企業,坐落于重工冶煉古都——河北省武安市崇義工業園區,地理位置優越,交通便利。固定資產達40.6億元。現有員工4000余人。
一.前言
余熱發電是利用余熱鍋爐回收廢氣余熱,生產中壓或次中壓蒸汽,配套汽輪發電機組發電,限度提高廢氣余熱利用效率。而對于燒結機余熱發電來說是通過鋼廠燒結冷卻機廢氣和燒結機的煙氣余熱通過余熱鍋爐回收利用,生產中壓或次中壓蒸汽,配套汽輪發電機組發電。
冷卻機廢氣顯熱和燒結煙氣顯熱占燒結過程熱耗的50%以上,將這部分余熱盡可能地加以有效利用是燒結節能的重要方面。通過對燒結機煙氣的回收利用,一方面減少了對氣環境的污染(主要是二氧化碳,一氧化碳),另一方面,從某種上也節約了生產成本。其所產生的蒸汽可進行對外供熱,電聯產,節省了企業的生產成本,也迎合當今社會節能減排的主題。
二.工藝原理
1.煙氣循環:燒結冷卻機所產生的煙氣分為煙溫段,共同進入余熱鍋爐煙道口,并且通過功率循環風機強制其煙氣循環,加熱其中壓換熱面,產生蒸汽。當段煙道閥門打開時,煙氣就進入鍋爐煙道口,同時1#,2#煙囪也隨之關閉,旁路煙關閉,補冷風口根據煙氣溫度自行調節其開度。1#和2#環冷機的出口電動閥打開,循環風機的風流將進入環冷機內,代替環冷風機的風流,使得燒結工序能正常運行。
在此工序中循環風機是主體,因此循環風機的效率直接影響到燒結和鍋爐蒸汽產生的效率,進一步影響發電效率。
2.中壓水循環:中壓鍋筒給水是來自汽機房凝結水經過壓除氧器處理,由中壓給水泵打入中壓鍋筒。中壓給水調節中為重要的是給水三沖量調節,其調節方式是通過汽包水位,給水流量,主蒸汽流量。給水三沖量調節中,給水流量的準確度直接影響到調節的準確和穩定度。因此要進行三沖量的調節,給水流量和蒸汽流量以及水位的校驗非常重要。
當主蒸汽溫度達到一定值(主要由進入汽機的蒸汽溫度決定)時,需要打開減溫水調節閥來冷卻中壓減溫汽,降蒸汽溫度,符合進入汽機蒸汽溫度的要求。
3.壓水循環:壓汽包給水是來自汽機房凝結水經過壓省煤器進入壓汽包。對于壓汽包給水調節可以進行兩沖量或單沖量調節,其體調節方式可以根據現場情況而定。壓汽包水位相對于中壓汽包水位穩定,受干擾的情況較小。一沖量調節只需根據水位來調節,兩沖量調節根據水位和主蒸汽流量來進行調節。兩沖量相對于一沖量來說,受干擾較小,穩定度也較好。
4.汽機油系統:
油系統對于汽輪機是相當重要,一但油系統出問題直接影響汽機正常的運作,嚴重將導致軸瓦的燒毀,使系統整體癱瘓。
汽機油系統主要由壓油泵,直流油泵,交流油泵來提供油路的循環。
當主油泵出口油壓時,啟動壓油泵。潤滑油壓時,啟動交流和直流油泵。
三.分散集中控制系統
1.概述:控制方式主要采用爐,機,電集中控制。鍋爐,汽輪機,發電機,循環水系統,給水系統等分別能在 控制室內集中控制。 控制室能集中控制機組啟動,運行,停機和事故處理。就地控制柜分別分布在各個鍋爐的就地控制室內,就地控制室能對本鍋爐系統進行操作控制,當鍋爐機組進行修或設備調試時,在就地控制較為方便,體現了分散集中的原理。分散集中控制系統的功能覆蓋了數據采集和處理系統(DAS),模擬量控制系統(MCS),順序控制系統(SCS),事件順序記錄(SOE)。
以下以體工程事例來說明。
2.工程概況:該工程為某鋼廠四爐一機集中分散控制系統。余熱鍋爐主要系統參數為額定蒸發量22T,9T.
額定蒸汽溫度340C226C
額定蒸汽壓力1.96MPa0.6MPa
鍋筒工作壓力2.16MPa
給水溫度40C
排煙溫度146C
汽輪發電機參數為主汽門前額定蒸汽壓力1.96MPa
主汽門前額定蒸汽溫度/溫度335/350C
主蒸汽額定流量100T/H
補氣快關門前額定蒸汽壓力0.6MPa
補氣快關門前額定蒸汽溫度/溫度225/235C
汽輪機額定(考核)功率23MW
汽輪機小發電功率5MW
汽輪機額定轉速3000r/min
3.系統網絡構架圖
該工程每臺鍋爐都有一個一個就地控制室,每個鍋爐控制室內都有一套鍋爐控制系統能控制本鍋爐的運行,四臺鍋爐的控制都能經過光纖環網到達 控制室內,由 控制室的操作人員進行操作控制。鍋爐每套控制系統的主站和從站都是通過冗余通訊來進行。若其中一路通訊有問題都不會影響鍋爐系統的正常運行,保證系統運行安全可靠。
4.系統硬件配置
11756-PA72電源模塊
21756-A1313槽機架
31756-L61處理器2M內存
41756-ENBT以太網模塊
51756-CNBRControlNet模塊
61756-IF88通道模擬量輸入模塊
71756-IB32數字量輸入
81756-OB32數字量輸出
91756-IB16ISOE時間序列模塊
101756-IT6I2熱電偶模塊
111756-IR6I熱電阻模塊
121756-OF8模擬量輸出模塊
131756-TBCH36針接線端子
141756-TBNH20針接線端子
151756-N2空槽蓋板
161786-TPST型頭
171786-XT終端電阻
181786-BNCControlNet電纜連接器
系統聯鎖關系
四、主要設備
1、鍋爐
給水泵
給水泵出口母管壓力<2.1MPa,啟動備用給水泵。
正在運行中的給水泵發生故障,啟動備用給水泵。
鍋筒壓力
壓鍋筒壓力>0.85MPa時,報壓力報警并且開壓鍋筒排汽電動閥。
壓集汽箱壓力>0.75MPa時,報壓力報警并且開壓集汽箱排汽電動閥。
中壓集汽箱壓壓力>2.4MPa時,報壓力報警并且開中壓集汽箱排汽電動閥。
鍋筒水位
1.鍋筒水位參數(參照鍋筒正常水位)
中壓鍋筒正常水位為中心線下50mm,
報警(一)水位為正常水位上下各100mm,
報警(二)水位為正常水位上下各200mm,
報警(三)水位為正常上下各250mm
壓鍋筒正常水位為中心線下50mm,
報警(一)水位為正常水位上下各100mm,
報警(二)水位為正常水位上下各200mm,
報警(三)水位為正常水位上下各300mm
2.當壓汽包水位>300mm或<-300mm時,停爐。同時啟動1#,2#環冷風機。
打開環冷風機出口插板閥,打開1#,2#煙囪插板閥,關,溫煙道進口擋板,打開旁通煙囪插板閥。延時一段時間停循環風機,循環風機停止,關補冷風門。
當壓汽包水位>200mm時,開緊急放水電動閥。
當壓汽包水位<100mm時,延遲一段時間關緊急放水電動閥。
3.當中壓汽包水位>250mm或<-250mm時,停爐。同時啟動1#,2#環冷風機。
打開環冷風機出口插板閥,打開1#,2#煙囪插板閥,關,溫煙道進口擋板,打開旁通煙囪插板閥。延時一段時間停循環風機,循環風機停止,關補冷風門。
當中壓汽包水位>200mm時,開緊急放水電動閥。
當中壓汽包水位<100mm時,延遲一段時間關緊急放水電動閥。
鍋爐給水流量
中壓給水母管流量<額定流量的30%時,開在循環電動閥
中壓給水母管流量>額定流量的50%時,關在循環電動閥。
鍋爐給水調節
中壓主給水調節根據中壓鍋筒液位以及中壓出口蒸汽流量來調節給水調節閥的開度,穩定鍋筒液位。
中壓減溫水調節閥當中壓集汽箱溫度>400,開減溫調節閥。
壓凝結水調節閥根據其壓鍋筒液位以及其出口蒸汽流量來調節其調節閥,穩定其鍋筒液位。
停循環風機
潤滑油壓<0.03Mpa
潤滑油溫>67
循環風機軸承溫度>85
循環風機軸承振動過>71mm/s
循環風機電機軸承溫度>95
循環風機電機定子溫度>145
循環風機電機振動>45mm/s
2、汽機
射水泵
射水泵出口壓力<0.3MPa或在射水泵運行時故障,啟動備用泵
凝結水泵
凝水泵出口母管壓力<1.3MPa或在凝結水泵運行時故障,啟動備用泵
壓油泵
主油泵出口壓力<1MPa,啟動壓油泵。
工業水泵
兩用一備和一用兩備選擇,當出口母管壓力<0.55Mpa或運行中有故障,啟動備用泵。
循環水泵
兩用一備和一用兩備選擇,當出口母管壓力<0.18Mpa或運行中有故障,啟動備用泵。
油泵
潤滑油壓>0.16Mpa,停電動油泵。
潤滑油壓<55KPa,啟動交流電動油泵。
潤滑油壓<40KPa,啟動直流電動油泵。
潤滑壓<15KPa,停盤車電機。
均壓箱
均壓箱壓力根據均壓箱檢測的壓力來調節均壓箱調整閥來穩定其壓力。
凝結水箱
根據凝結水箱液位來調節除鹽水去凝汽器調節門開度,穩定凝結水箱液位。
旁濾系統
步進入運行狀態,運行時間可以預置,原水進水閥和凈水出水閥開。若要投入反洗,預置時間到,進入放水狀態,原水進水閥和凈水出水閥關閉,反洗排水閥打開。一分鐘進入水反沖洗狀態,反洗進水閥開。五分鐘進入水氣混合狀態,化學水進水電動閥開。十五分鐘,化學水進水電動閥關,進入水反沖洗狀態。十分鐘,反洗排水閥和反洗進水閥都關閉,原水進水閥和凈水出水閥打開,在次進入運行狀態。
保護停機
汽機速度>3300r/min,速。
軸向位移>=1.3mm,軸向位移<=-0.7mm
脹差<=-2.5mm,脹差>=3.5mm
軸振動>0.254mm
軸瓦溫度>110
軸承回油溫度>75
潤滑油壓<20KPa
凝氣器真空<-61kpa
五、仟億達燒結余熱發電案例:
1、邯鄲縱橫鋼鐵集團7.5MW燒結余熱發電項目
2、河北鋼鐵金鼎重工14MW燒結余熱發電
仟億達科技有限公司邯鄲市金鼎鋼鐵14MW燒結余熱發電工程流程圖
余熱發電是利用余熱鍋爐回收廢氣余熱,生產中壓或次中壓蒸汽,配套汽輪發電機組發電,限度提廢氣余熱利用效率。而對于燒結機余熱發電來說是通過鋼廠燒結冷卻機廢氣和燒結機的煙氣余熱通過余熱鍋爐回收利用,生產中壓或次中壓蒸汽,配套汽輪發電機組發電。
冷卻機廢氣顯熱和燒結煙氣顯熱占燒結過程熱耗的50%以上,將這部分余熱盡可能地加以有效利用是燒結節能的重要方面。通過對燒結機煙氣的回收利用,一方面減少了對氣環境的污染(主要是二氧化碳,一氧化碳),另一方面,從某種上也節約了生產成本。其所產生的蒸汽可進行對外供熱,電聯產,節省了企業的生產成本,也迎合當今社會節能減排的主題。
二.工藝原理
1.煙氣循環:燒結冷卻機所產生的煙氣分為煙溫段,共同進入余熱鍋爐煙道口,并且通過功率循環風機強制其煙氣循環,加熱其中壓換熱面,產生蒸汽。當段煙道閥門打開時,煙氣就進入鍋爐煙道口,同時1#,2#煙囪也隨之關閉,旁路煙關閉,補冷風口根據煙氣溫度自行調節其開度。1#和2#環冷機的出口電動閥打開,循環風機的風流將進入環冷機內,代替環冷風機的風流,使得燒結工序能正常運行。
在此工序中循環風機是主體,因此循環風機的效率直接影響到燒結和鍋爐蒸汽產生的效率,進一步影響發電效率。
2.中壓水循環:中壓鍋筒給水是來自汽機房凝結水經過壓除氧器處理,由中壓給水泵打入中壓鍋筒。中壓給水調節中為重要的是給水三沖量調節,其調節方式是通過汽包水位,給水流量,主蒸汽流量。給水三沖量調節中,給水流量的準確度直接影響到調節的準確和穩定度。因此要進行三沖量的調節,給水流量和蒸汽流量以及水位的校驗非常重要。
當主蒸汽溫度達到一定值(主要由進入汽機的蒸汽溫度決定)時,需要打開減溫水調節閥來冷卻中壓減溫汽,降低蒸汽溫度,符合進入汽機蒸汽溫度的要求。
3.壓水循環:壓汽包給水是來自汽機房凝結水經過壓省煤器進入壓汽包。對于壓汽包給水調節可以進行兩沖量或單沖量調節,其體調節方式可以根據現場情況而定。壓汽包水位相對于中壓汽包水位穩定,受干擾的情況較小。一沖量調節只需根據水位來調節,兩沖量調節根據水位和主蒸汽流量來進行調節。兩沖量相對于一沖量來說,受干擾較小,穩定度也較好。
4.汽機油系統:油系統對于汽輪機是相當重要,一但油系統出問題直接影響汽機正常的運作,嚴重將導致軸瓦的燒毀,使系統整體癱瘓。
汽機油系統主要由壓油泵,直流油泵,交流油泵來提供油路的循環。
當主油泵出口油壓時,啟動壓油泵。潤滑油壓時,啟動交流和直流油泵。
三.分散集中控制系統
1.概述:控制方式主要采用爐,機,電集中控制。鍋爐,汽輪機,發電機,循環水系統,給水系統等分別能在 控制室內集中控制。 控制室能集中控制機組啟動,運行,停機和事故處理。就地控制柜分別分布在各個鍋爐的就地控制室內,就地控制室能對本鍋爐系統進行操作控制,當鍋爐機組進行修或設備調試時,在就地控制較為方便,體現了分散集中的原理。分散集中控制系統的功能覆蓋了數據采集和處理系統(DAS),模擬量控制系統(MCS),順序控制系統(SCS),事件順序記錄(SOE)。
以下以體工程事例來說明。
2.工程概況:該工程為某鋼廠四爐一機集中分散控制系統。余熱鍋爐主要系統參數為額定蒸發量22T,9T.
額定蒸汽溫度340C226C
額定蒸汽壓力1.96MPa0.6MPa
鍋筒工作壓力2.16MPa
給水溫度40C
排煙溫度146C
汽輪發電機參數為主汽門前額定蒸汽壓力1.96MPa
主汽門前額定蒸汽溫度/溫度335/350C
主蒸汽額定流量100T/H
補氣快關門前額定蒸汽壓力0.6MPa
補氣快關門前額定蒸汽溫度/溫度225/235C
汽輪機額定(考核)功率23MW
汽輪機小發電功率5MW
汽輪機額定轉速3000r/min
3.系統網絡構架圖
該工程每臺鍋爐都有一個一個就地控制室,每個鍋爐控制室內都有一套鍋爐控制系統能控制本鍋爐的運行,四臺鍋爐的控制都能經過光纖環網到達 控制室內,由 控制室的操作人員進行操作控制。鍋爐每套控制系統的主站和從站都是通過冗余通訊來進行。若其中一路通訊有問題都不會影響鍋爐系統的正常運行,保證系統運行安全可靠。
4.系統硬件配置
系統聯鎖關系
四、主要設備
1、鍋爐
給水泵
給水泵出口母管壓力<2.1MPa,啟動備用給水泵。
正在運行中的給水泵發生故障,啟動備用給水泵。
鍋筒壓力
壓鍋筒壓力>0.85MPa時,報壓力報警并且開壓鍋筒排汽電動閥。
壓集汽箱壓力>0.75MPa時,報壓力報警并且開壓集汽箱排汽電動閥。
中壓集汽箱壓壓力>2.4MPa時,報壓力報警并且開中壓集汽箱排汽電動閥。
鍋筒水位
1.鍋筒水位參數(參照鍋筒正常水位)
中壓鍋筒正常水位為中心線下50mm,
報警(一)水位為正常水位上下各100mm,
報警(二)水位為正常水位上下各200mm,
報警(三)水位為正常上下各250mm
壓鍋筒正常水位為中心線下50mm,
報警(一)水位為正常水位上下各100mm,
報警(二)水位為正常水位上下各200mm,
報警(三)水位為正常水位上下各300mm
2.當壓汽包水位>300mm或<-300mm時,停爐。同時啟動1#,2#環冷風機。
打開環冷風機出口插板閥,打開1#,2#煙囪插板閥,關,溫煙道進口擋板,打開旁通煙囪插板閥。延時一段時間停循環風機,循環風機停止,關補冷風門。
當壓汽包水位>200mm時,開緊急放水電動閥。
當壓汽包水位<100mm時,延遲一段時間關緊急放水電動閥。
3.當中壓汽包水位>250mm或<-250mm時,停爐。同時啟動1#,2#環冷風機。
打開環冷風機出口插板閥,打開1#,2#煙囪插板閥,關,溫煙道進口擋板,打開旁通煙囪插板閥。延時一段時間停循環風機,循環風機停止,關補冷風門。
當中壓汽包水位>200mm時,開緊急放水電動閥。
當中壓汽包水位<100mm時,延遲一段時間關緊急放水電動閥。
鍋爐給水流量
中壓給水母管流量<額定流量的30%時,開在循環電動閥
中壓給水母管流量>額定流量的50%時,關在循環電動閥。
鍋爐給水調節
中壓主給水調節根據中壓鍋筒液位以及中壓出口蒸汽流量來調節給水調節閥的開度,穩定鍋筒液位。
中壓減溫水調節閥當中壓集汽箱溫度>400,開減溫調節閥。
壓凝結水調節閥根據其壓鍋筒液位以及其出口蒸汽流量來調節其調節閥,穩定其鍋筒液位。
停循環風機
潤滑油壓<0.03Mpa
潤滑油溫>67
循環風機軸承溫度>85
循環風機軸承振動過>71mm/s
循環風機電機軸承溫度>95
循環風機電機定子溫度>145
循環風機電機振動>45mm/s
2、汽機
射水泵
射水泵出口壓力<0.3MPa或在射水泵運行時故障,啟動備用泵
凝結水泵
凝水泵出口母管壓力<1.3MPa或在凝結水泵運行時故障,啟動備用泵
壓油泵
主油泵出口壓力<1MPa,啟動壓油泵。
工業水泵
兩用一備和一用兩備選擇,當出口母管壓力<0.55Mpa或運行中有故障,啟動備用泵。
循環水泵
兩用一備和一用兩備選擇,當出口母管壓力<0.18Mpa或運行中有故障,啟動備用泵。
油泵
潤滑油壓>0.16Mpa,停電動油泵。
潤滑油壓<55KPa,啟動交流電動油泵。
潤滑油壓<40KPa,啟動直流電動油泵。
潤滑壓<15KPa,停盤車電機。
均壓箱
均壓箱壓力根據均壓箱檢測的壓力來調節均壓箱調整閥來穩定其壓力。
凝結水箱
根據凝結水箱液位來調節除鹽水去凝汽器調節門開度,穩定凝結水箱液位。
旁濾系統
步進入運行狀態,運行時間可以預置,原水進水閥和凈水出水閥開。若要投入反洗,預置時間到,進入放水狀態,原水進水閥和凈水出水閥關閉,反洗排水閥打開。一分鐘進入水反沖洗狀態,反洗進水閥開。五分鐘進入水氣混合狀態,化學水進水電動閥開。十五分鐘,化學水進水電動閥關,進入水反沖洗狀態。十分鐘,反洗排水閥和反洗進水閥都關閉,原水進水閥和凈水出水閥打開,在次進入運行狀態。
保護停機
汽機速度>3300r/min,速。
軸向位移>=1.3mm,軸向位移<=-0.7mm
脹差<=-2.5mm,脹差>=3.5mm
軸振動>0.254mm
軸瓦溫度>110
軸承回油溫度>75
潤滑油壓<20KPa
凝氣器真空<-61kpa
仟億達股份是能源項目投資、資源循環利用項目投資集團,以金融資本推動節能環保事業。主要采用合同能源管理服務模式,為客戶提供工業整體節能環保解決方案。業務涵蓋分布式能源項目投資,包括園區熱電聯產、冷熱電三聯供、光伏發電、利用余熱及可燃氣體進行余熱發電、余熱余壓回收利用,煤改氣投資建設,脫硫脫硝,電機拖動節能,包括中壓變頻節能、節能泵改造,同時公司自行研發能源管理平臺、在線監測平臺。公司主要服務領域為工業領域,包括冶金、建材、電力、化工、煤炭、石油、機械、紡織、輕工、醫藥等型生產耗能企業。
仟億達堅持“誠信、優先、奉獻、共享”的經營理念,致力于推進工業節能、生態文明。仟億達股份注冊資本1.01億元,目前市值約19億元,立志成為節能減排企業!
- 想實現清潔生產和提升焦炭量?快找仟億達干熄焦余熱發電2015-12-08
- 仟億達飽和蒸汽發電成為新的亮點2015-11-21
- 仟億達燒結低溫余熱發電工程有效降低燒結工序能耗2015-11-19
- 仟億達燃氣冷熱電三聯供簡介2015-11-11
- 仟億達螺桿余熱發電2015-11-10
熱門資訊

- 章建華:深入學習貫徹習近平總書記重要講話精神 以更大力度推動我國新能源高質量發展習近平總書記在中共中央政治局就新能源技術與我國的能...










